Startmotor

En startmotor for en dieselmotor er i de fleste tilfeller en liten elektrisk seriemotor med en innebygd kontaktor og innslagsmekanisme.  Den effekten som utvikles av en startmotor som brukes til å starte en 30 Hp dieselmotor kan for eksempel være rundt 1-2 Hp.

Video som forklarer hvordan en typisk startmotoren fungerer:

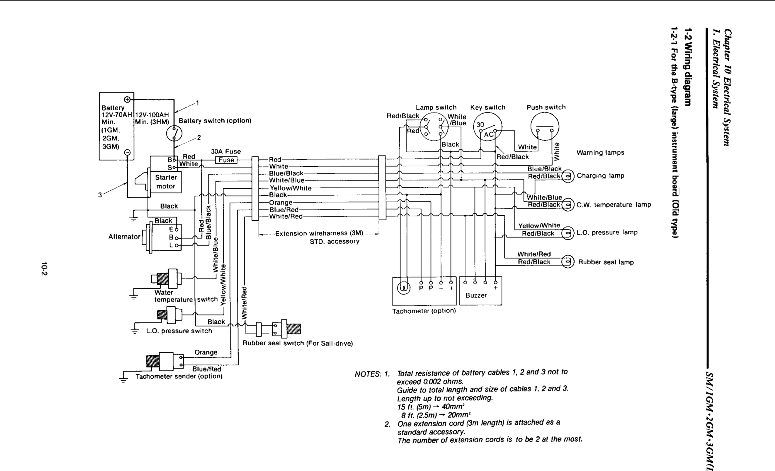
Eksempel på et enkelt koblingsskjema for en startmotor. (Hentet i fra Yanamar service manual)

Andre koblingsskjemaer kan også være mer kompliserte, der det for eksempel også kan inngå ett eller flere releer i styrestrømkretsen.

En startmotor for en liten dieselmotor er typisk bygd opp og fungerer ganske likt med en startmotor på en bil.

På figuren under så ser vi et litt mer komplisert styrestrømsskjema for motortypen Beta Marine 25 (Operators manual side 108):

Betamarine-motorene leveres noen ganger med et enkelt panel uten tenningsnøkkel. Funksjonene som ellers ivaretas av en nøkkelbryter (på/av av tenning, mating av gløding, start osv.) blir her løst med trykknapper og releer i stedet. Dette er en beskrivelse av hvordan dette ser ut til å fungere:

1. Strøm inn til panelet

  • Motorpanelet får kontinuerlig 12 V fra batteriet via hovedstrømbryteren (som gjerne står separat i båten).

  • Det finnes altså ingen “ignition ON”-posisjon med nøkkel – panelet er aktivt så snart hovedbryteren slås på.

2. Releet som styrer gløding vs. start

  • Det øverste releet ser ut til å være et sperrerele (interlock).

  • Hensikt: Hindre at glødepluggene og startmotoren kan aktiveres samtidig, fordi dette både kan trekke for mye strøm og skade komponentene.

  • Når du trykker på “glød”, vil dette releet aktivere glødekretsen og samtidig sperre startkretsen.

  • Når du slipper glød og trykker “start”, frigjøres sperringen og startmotoren kan trekke inn.

3. Releet som erstatter tenningsbryter

  • Det andre, nederste releet fungerer i praksis som en “tenningsbryter uten nøkkel”.

  • Når du trykker på en knapp (“start” eller “preheat”), trekker dette releet inn og mater spenning til:

    • eksitasjonskretsen på dynamoen (IGN, terminal 4),
    • instrumentpanelet (oljetrykkslampe, vanntemperatur, ladelampe osv.),
    • eventuelt glødepluggkretsen.
    • Når motoren stoppes med “stop”-knappen, brytes dette releet og hele instrumentpanelet mister mating (akkurat som om du hadde vridd av en nøkkel).

4. Stoppefunksjonen

  • “Stop”-knappen aktiverer normalt et magnetventil-/stopp-solenoid på dieselpumpen (eller en elektrisk stoppemekanisme).

  • Samtidig slipper “tenningsreleet” ut, slik at alle instrumenter slukker.

Andre design av startmototorer:

Det finnes også eksempel på startmotorer som har dobbelt sett med statorviklinger.